Omega B -96 2.0i flekti ei sammu

Tekniikka-aiheinen keskustelu moottoriin liittyvistä asioista.
Moottorinohjaus, toiminta, tyyppivikoja, korjauksia, jne...
Älä laita tänne kysymyksiä virittämisestä, sillä niille on olemassa oma alueensa.
Mbede
'Admiral'
'Admiral'
Viestit: 165
Liittynyt: 27 Helmi 2010, 21:02
Paikkakunta: Öyly

Re: Omega B -96 2.0i flekti ei sammu

Viesti Kirjoittaja Mbede »

Robertx kirjoitti:Järjestelmässä on sitten 2 kpl lämpötilakytkimiä... eli kumpi niistä on ollut irti ??
Ylempää koitin irrotella.. Missä tuo toinen kytkin on?

EDIT: tai siis sitä joka on siinä syylärin takapuolella yläreunassa..
VW Passat Variant
Avatar
Robertx
'Diplomat'
'Diplomat'
Viestit: 19745
Liittynyt: 13 Huhti 2004, 03:00
Paikkakunta: Hyvinkää - Helsinki

Re: Omega B -96 2.0i flekti ei sammu

Viesti Kirjoittaja Robertx »

Käsittääkseni molemmat ovat syylärissä kiinni... korjatkoon tuon käsityksen joku, joka paremmin tietää.

Tuossa käsittääkseni kuitenkin se painekytkinhässäkkä.
http://s622.photobucket.com/albums/tt30 ... Switch.jpg
MB E220 CDI TA Premium Business Luxury -17,MB E220 CDIA PB Sport -11
Ex:InsigniaSTEditBL 2.0 CDTIA -11,InsigniaSTSport 2.0 CDTIA -13,InsingniaSTSport 2.0 CDTIA -14
Ex: VectraC2 1.9 CDTI,VectraB2 Z22SE,VectraA1+A2 C20NE,KadettE 1.6i
Mbede
'Admiral'
'Admiral'
Viestit: 165
Liittynyt: 27 Helmi 2010, 21:02
Paikkakunta: Öyly

Re: Omega B -96 2.0i flekti ei sammu

Viesti Kirjoittaja Mbede »

En löytäny muuta anturia syyläristä. Ja se jota irrottelin ni tosiaan ohjaa sitä moottoritilan puolella olevaa flektiä kaks vaiheisesti. Olis jännä tietää mikä tuota etupuolella pyörivää sit ohjaa.. Yks päivä ku valojen kans tuuskasin ja virrat oli päällä ni sillon tuo ei pyöriny kokoaikaa mut välillä pyörähti ja jo sillon sitä ihmettelin ku moottorin ojan puolella letkuissa on kiinni ilmeisesti joku pumppu ni sieltä kuulu napsetta ja sitä ku kopsutteli ni hurahti tuo flekti.. Minusta tuo vaan näyttää ennemminki joltain pumpulta mut sanokaapa viisaammat mikä se on? Eikä tuonkaan johdon irrotus lopettanu rupelin pyörimistä eli niinku arvelin ni tuokaan ei ilmeisesti ohjaa tuota flektiä. mutta olisko sitte että sen anturi on jossaki niin että ku letkut heilu ni sai kosketuksen..

Ja kuva tuosta:

Kuva
VW Passat Variant
eerikv
'Kadett'
'Kadett'
Viestit: 10
Liittynyt: 27 Loka 2008, 20:53
Paikkakunta: Laitila

Re: Omega B -96 2.0i flekti ei sammu

Viesti Kirjoittaja eerikv »

tuo tossa kuvassa on kiertovesipumppu...mulla kärähti se ja sillon meni autosta kaikki sähköt veke ku se poltti sulakerasian...se on turha laite mutta adam on joskus sen halunnu sinne keksiä ni olkoo siellä ny sitte... :D
Avatar
Robertx
'Diplomat'
'Diplomat'
Viestit: 19745
Liittynyt: 13 Huhti 2004, 03:00
Paikkakunta: Hyvinkää - Helsinki

Re: Omega B -96 2.0i flekti ei sammu

Viesti Kirjoittaja Robertx »

Jeps, kiertovesipumppu on tuo. Liittyy muistaakseni moottorin jälkijäähdytykseen sammuttamisen jälkeen.
MB E220 CDI TA Premium Business Luxury -17,MB E220 CDIA PB Sport -11
Ex:InsigniaSTEditBL 2.0 CDTIA -11,InsigniaSTSport 2.0 CDTIA -13,InsingniaSTSport 2.0 CDTIA -14
Ex: VectraC2 1.9 CDTI,VectraB2 Z22SE,VectraA1+A2 C20NE,KadettE 1.6i
Mbede
'Admiral'
'Admiral'
Viestit: 165
Liittynyt: 27 Helmi 2010, 21:02
Paikkakunta: Öyly

Re: Omega B -96 2.0i flekti ei sammu

Viesti Kirjoittaja Mbede »

Niin minäki sen tulkitsin mut on tämä ooppeli on jotenki niin erillainen ku nuo aikasemmat japsit että meinaa pää mennä pyörälle.. :)

Mistä sen sais tietoon sitte mikä sen flektin pyörittämistä säätelee? Mulla on tuo Hayensin opas ja yritin nuita sähkökaavioitaki selata mut ei mun järjelle oikeen meinaa taipua.. Ja sitä ihmettelin kans että miks mihin sitä tarvitaan ku ilmastointi pyörittää sitä kuskin puoleista rupelia ja se lämpötilaanturi siinä syylärin takapuolella yläosassa sitä moottori tilan puoleista flektiä.. Eihän se tietty haittaa että se pyörii mut joskus vaan ärsyttää se sen humina..
VW Passat Variant
Avatar
Robertx
'Diplomat'
'Diplomat'
Viestit: 19745
Liittynyt: 13 Huhti 2004, 03:00
Paikkakunta: Hyvinkää - Helsinki

Re: Omega B -96 2.0i flekti ei sammu

Viesti Kirjoittaja Robertx »

En tiedä, vastaako tuo : http://www.vectra16v.com/slp/slp_omega_b_mj00.pdf
... kytkentäkaavio, sivu 49 , sitä Haynesin kaaviota.
Jokatapauksessa flektejä ohjaavat ilmastoinnin päälläolo, lämpötilakytkimet(2 kpl 2-osaisia) ja painekytkimet + moottoriohjaus.
M4, M11 ja M12 ovat flektejä, mutta en osaa 100% varmasti sanoa mikä on mikäkin. M4 käynnistyy, kun ilmastoinnin magneettikytkin vetää, eli ilmastointi on päällä samalla käynnistyy myös M11.
M11 pysähtyy, kun lämpötilakytkimen S128 kontakti 2 sulkeutuu.
Painekytkin P3:n kontakti käynnistää flektin M11.
Flekti M12 käynnistyy puolella nopeudella, kun lämpötilakytkimen S88 kontakti 1 sulkeutuu. Sama flekti käynnistyy täydelllä nopeudella , kun lämpötilakytkimen S88 kontakti 2 sulkeutuu. Lisäksi S88:n kontakti 1 käynnistää flektit M4 ja M11.
Mielestäni M12 on varsinainen jäähdyttäjän flekti ja M4 ja M11 ovat ilmastoinnin lauhduttimen flektejä.

Tuossa alkajaisiksi jotain.
MB E220 CDI TA Premium Business Luxury -17,MB E220 CDIA PB Sport -11
Ex:InsigniaSTEditBL 2.0 CDTIA -11,InsigniaSTSport 2.0 CDTIA -13,InsingniaSTSport 2.0 CDTIA -14
Ex: VectraC2 1.9 CDTI,VectraB2 Z22SE,VectraA1+A2 C20NE,KadettE 1.6i
eerikv
'Kadett'
'Kadett'
Viestit: 10
Liittynyt: 27 Loka 2008, 20:53
Paikkakunta: Laitila

Re: Omega B -96 2.0i flekti ei sammu

Viesti Kirjoittaja eerikv »

nyt selvis...irrotin liittimen ilmastoinnin painekytkimestä ja voila...flektit sammuivat ja toimivat normaalisti lämpöjen noustessa määrättyyn pisteeseen...käyvät hetken ja sammuvat niin ku pitääkin...nyt vielä freonit järjestelmään ja sen jälkeen uusi painekytkin ja homma paketissa! Kiitos kaikista vinkeistä!
Avatar
Robertx
'Diplomat'
'Diplomat'
Viestit: 19745
Liittynyt: 13 Huhti 2004, 03:00
Paikkakunta: Hyvinkää - Helsinki

Re: Omega B -96 2.0i flekti ei sammu

Viesti Kirjoittaja Robertx »

Hyvä niin, että sait pelittämään oikein :D Oliko kyseessä se triple switch... eli ne 3 painekytkintä kimpassa ??
Ole hyvä.
MB E220 CDI TA Premium Business Luxury -17,MB E220 CDIA PB Sport -11
Ex:InsigniaSTEditBL 2.0 CDTIA -11,InsigniaSTSport 2.0 CDTIA -13,InsingniaSTSport 2.0 CDTIA -14
Ex: VectraC2 1.9 CDTI,VectraB2 Z22SE,VectraA1+A2 C20NE,KadettE 1.6i
Mbede
'Admiral'
'Admiral'
Viestit: 165
Liittynyt: 27 Helmi 2010, 21:02
Paikkakunta: Öyly

Re: Omega B -96 2.0i flekti ei sammu

Viesti Kirjoittaja Mbede »

Juu tuo kaavio on b2:n niinku siinä lukeeki ja siinä on pikkasen erilainen tuo systeemi. Innostuin eilen tutkiskelee tuota kaaviota vaikken saanu siitä niin paljon saanu irti mitä, Robertx, sitä valotit..:) Kiitoksia. Siis aika pitkälle nuo b1 ja b2 on siis samanlaisia vaikka joitaki eroja on. Tuo M12(b2) tai M35(b1) on minun käsityksen mukaan se moottoritilan puolella oleva flekti ku se pyörii kahella nopeudella siihen näkys ensin tulevan virta vastuksen läpi. Täytyy vielä tutkia miten päin nuo M11 ja M4 on.. Mut mikäs tuo M28 on ku lontoon murteella se on blower motor?

Täytyy oikeen lähtee ettii ja tutkii oikein pellin alle nuitten kaavioiden kans ja kattoo ja tutkii miten mikäki toimii. Jospa se sitten selviäis paremmin..
VW Passat Variant
Avatar
Robertx
'Diplomat'
'Diplomat'
Viestit: 19745
Liittynyt: 13 Huhti 2004, 03:00
Paikkakunta: Hyvinkää - Helsinki

Re: Omega B -96 2.0i flekti ei sammu

Viesti Kirjoittaja Robertx »

Jeps... varmasti on hieman erilainen, mutta ehkä pääperiaate kuitenkin sama on.
M12 = M35 = varsinainen jäähdyttäjän flekti... useimmissa Opeleissa on kahdella nopeudella jäähdyttäjän flekti.
Parhaiten ehkä saa noiden flektien paikat selville johtimien väreistä, jos ovat jossain näkyvillä.
Blower motor on releboxin/ECUn jäähdytyspuhallin.

Eiköhän se siitä selviä, kun rauhassa tutkii....
MB E220 CDI TA Premium Business Luxury -17,MB E220 CDIA PB Sport -11
Ex:InsigniaSTEditBL 2.0 CDTIA -11,InsigniaSTSport 2.0 CDTIA -13,InsingniaSTSport 2.0 CDTIA -14
Ex: VectraC2 1.9 CDTI,VectraB2 Z22SE,VectraA1+A2 C20NE,KadettE 1.6i
Mbede
'Admiral'
'Admiral'
Viestit: 165
Liittynyt: 27 Helmi 2010, 21:02
Paikkakunta: Öyly

Re: Omega B -96 2.0i flekti ei sammu

Viesti Kirjoittaja Mbede »

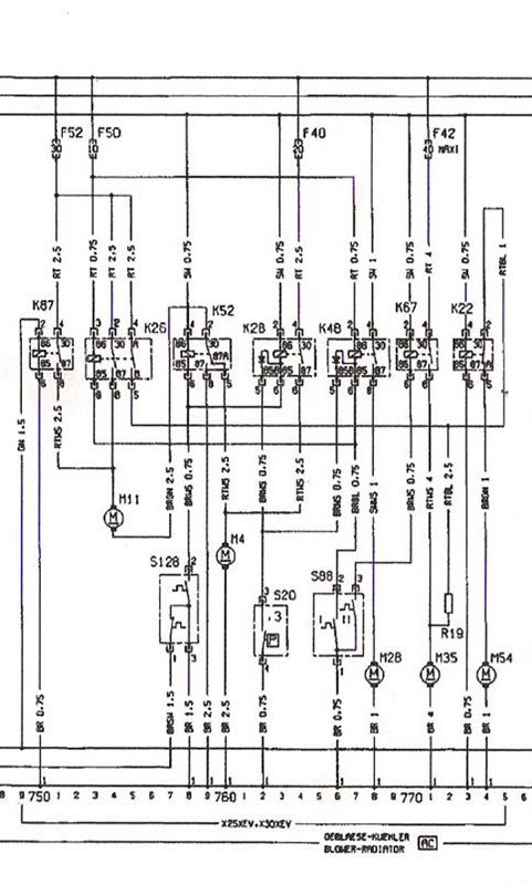
No niin.. Tuossa kävin hetken raaputelemassa päätäni konepellin alla ja kisoin releitä irti ja tutkin mikä rele vois olla mikäki ja mistä johtua tuo pyöriminen.. Lopulta päädyin siihen että ongelma on tuo S128 ja luultavasti löysinki sen mutta on sen verran paskamaisessa paikassa etten saanu johtoa irti että olis enemmän voinu tutkia. Laitan tähän oheen kuvat jälkipolvia varten tuosta sähkökaaviosta ja releboksista ja siitä mikä rele on mikäki. Eli ja tämmösin tuloksiin päädyin noiden puhaltimien osalta: M11 = syylärin etupuolella kuskin puoleinen, M4 = syylärin ep. vänkärin puoleinen ja M35 = moottorin puoleleinen varsinainen jäähdyttäjän tuuletin joka toimii ainakin tässä kaks vaiheisesti.

Mittasin releen K28 pohjasta että napojen 86 ja 85 välille tuli jännite ja tätähän ohjaa tuo S128. Tämä S128 ohjaa myös relettä K52 ja ku releen läpi kulkee virta ni se näppää tuon M11:n maihin. Ja sitten ku painaa ilmastoinnin päälle se näppää releen K87 navat yhteen jolloin M11 lähtee välittömästi pyörimään. Kuten mulla tässä tapauksessa tapahtuu. Epäilin ensin tuota paine kytkintä mut ensinnäkään sen johdon irrotus ei tehny mitään ja toisekseen noitten napojen 86 ja 85B välillä releessä K28 ei ollu jännitettä virtojen päällä ollessa. Näiden havaintojen pohjalta en keksi muuta ku sen että tuo S128 jumittaa. Tuo S128 on ilmeisesti syylärin kuskin puolen reunassa alhaalla vesiletkun alla ja runko palkin tms. yläpuolella = paskamainen paikka? :bonk:

Huh, toivottavasti joku ymmärs jotaki... :)

Sitte vielä tungen nuo kuvat tähän ni valasee vähän paremmin:

Kuva

Kuva
VW Passat Variant
Avatar
Robertx
'Diplomat'
'Diplomat'
Viestit: 19745
Liittynyt: 13 Huhti 2004, 03:00
Paikkakunta: Hyvinkää - Helsinki

Re: Omega B -96 2.0i flekti ei sammu

Viesti Kirjoittaja Robertx »

Hyvin olet mitannut, havainnoinut ja analysoinut. Kirjoittamasi perusteella saisin saman lopputuloksen, että S128 :n ylempi kontakti on kiinni.
Lämpötilakytkimen paikkaa en tiedä, mutta tässä topicissa aiemmin kirjoitetun perusteella eerikv tietää ja on sen irrottanut... siis ainakin liittimen, joten häneltä mahdollisesti tietoa saada voi.
MB E220 CDI TA Premium Business Luxury -17,MB E220 CDIA PB Sport -11
Ex:InsigniaSTEditBL 2.0 CDTIA -11,InsigniaSTSport 2.0 CDTIA -13,InsingniaSTSport 2.0 CDTIA -14
Ex: VectraC2 1.9 CDTI,VectraB2 Z22SE,VectraA1+A2 C20NE,KadettE 1.6i
Mbede
'Admiral'
'Admiral'
Viestit: 165
Liittynyt: 27 Helmi 2010, 21:02
Paikkakunta: Öyly

Re: Omega B -96 2.0i flekti ei sammu

Viesti Kirjoittaja Mbede »

Ok. Jos eerikv tietää ton ni olisin kyllä kovastikki kiitollinen jos saisin varmuuden tuosta ennen ku alan kaivelee sitä esiin.
Nyt alan ymmärtää ku joku täälä foorumilla on kirjottanu ettei ikinä halua mv6:sta ku tulppien vahdonki takia joutuu puoli konetta purkaa.. :lol: Tuo kone huone on kieltämättä aika ahdas..
VW Passat Variant
Avatar
Robertx
'Diplomat'
'Diplomat'
Viestit: 19745
Liittynyt: 13 Huhti 2004, 03:00
Paikkakunta: Hyvinkää - Helsinki

Re: Omega B -96 2.0i flekti ei sammu

Viesti Kirjoittaja Robertx »

Pistä hänelle vaikka yv:tä.
Ahtaaltahan tuo vaikuttaa... ja viat tietysti aina siellä hankalimmassa paikassa...
MB E220 CDI TA Premium Business Luxury -17,MB E220 CDIA PB Sport -11
Ex:InsigniaSTEditBL 2.0 CDTIA -11,InsigniaSTSport 2.0 CDTIA -13,InsingniaSTSport 2.0 CDTIA -14
Ex: VectraC2 1.9 CDTI,VectraB2 Z22SE,VectraA1+A2 C20NE,KadettE 1.6i